
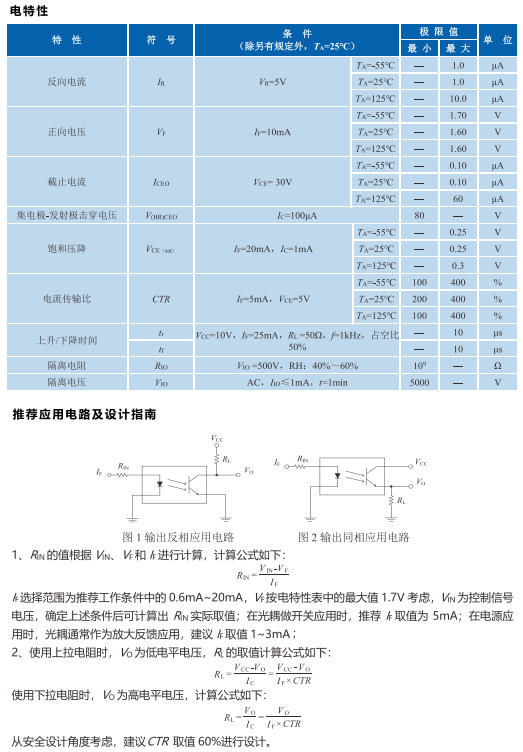
产品形貌
HT8011P型光电耦合器是接纳CSOP封装的单通道晶体管输出型工业级光耦,隔离电压不低于AC5000V,可凭证手艺条件增添筛选项目。


本产品为FT-Y3系列,仅展示部分参数,若有需要,请联系乐天堂。
乐天堂 | F-tone Networks
企业邮箱:sales@f-tone.com
企业网站:www.f-tone.com
企业网站:www.sfpgmk.com
企业电话:028-85255257
Important Notice
Performance figures, data and any illustrative material provided in this data sheet are typical and must be specifically confirmed in writing by F-tone Networks before they become applicable to any particular order or contract. In accordance with the F-tone Networks policy of continuous improvement specifications may change without notice.
The publication of information in this data sheet does not imply freedom from patent or other protective rights of F-tone Networks or others. Further details are available from any F-tone Networks sales representative.