乐天堂

标准光?

HCPL-0738,兼容HCPL-0738,天下产化HCPL-0738,国产化HCPL-0738,HT0738国产替换HCPL-0738

HCPL-0738,兼容HCPL-0738,天下产化HCPL-0738,国产化HCPL-0738,HT0738国产替换HCPL-0738

0.0/5 rating (0 votes)

Description

产品形貌
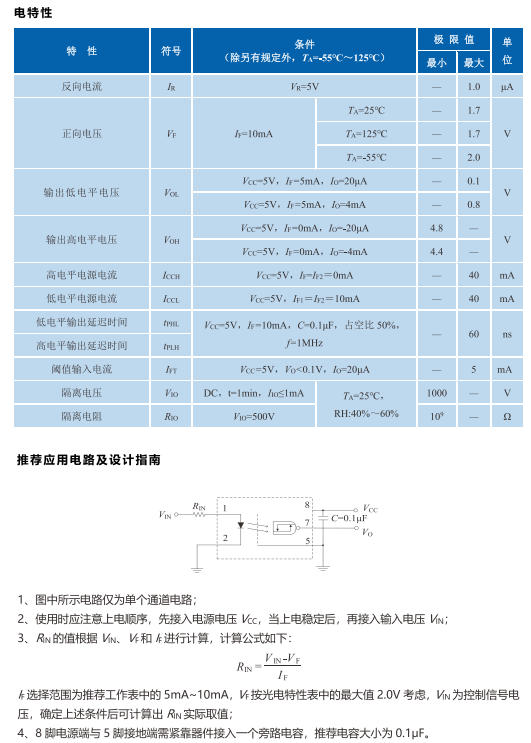
HT0738型光电耦合器是接纳CSOP封装的双通道高速反相图腾柱输出型光耦 ,执行GJB 8120-2013《半导体光电?橥ㄓ霉娣丁 ,可供选择的质量品级为GM1、GM2、GM3,JP.

8990

 

 

 

 

 

 

 

本产品为FT-Y3系列 ,仅展示部分参数 ,若有需要 ,请联系乐天堂。

乐天堂 | F-tone Networks
企业邮箱:sales@f-tone.com
企业网站:www.f-tone.com
企业网站:www.sfpgmk.com
企业电话:028-85255257

Important Notice

Performance figures, data and any illustrative material provided in this data sheet are typical and must be specifically confirmed in writing by F-tone Networks before they become applicable to any particular order or contract. In accordance with the F-tone Networks policy of continuous improvement specifications may change without notice.

The publication of information in this data sheet does not imply freedom from patent or other protective rights of F-tone Networks or others. Further details are available from any F-tone Networks sales representative.

天下产化光? CFP2光? JYSK光纤毗连器 思科光? Marconi光? Test Equipment & Others 光纤法兰适配器
SFP天下产光? CFP4光? J599III电毗连器 思科FE SFP 博达光? 保偏光器件 光纤跳线&尾纤
1x9天下产光? CFP8 400Gbps S6矩形毗连器 思科SFP+光? 网件光? In-line Depolarizer FTTA拉远基站光纤跳线
特种光? CDFP 400Gbps S7矩形毗连器 思科XFP光? Nortel光? In-line Polarizer MPO/MTP高密度系列
25G~400G高速光? MicroQSFP光? GYM光纤毗连器 思科CFP光? Moxa光? IPBC/S 军用野战防水光纤跳线
200km超长距光? DSFP光? J599III光纤毗连器 思科QSFP-DD 光? ?低视HIKVISION光? PBC/S 特种光纤光缆
5G移动通讯光? FT-61光? 水密光缆毗连器 思科QSFP+光? McAfee光? PM BPF 特种线缆组件
SFP光? OLT光? 光纤毗连器转接器 思科GE SFP SMC智邦光? PM Circulator 通用光缆光纤跳线
1.25G SFP ONU光? FT-A4系列毗连器 思科SFP OC3 安华高Avago光? PM Collimator MXC? 多芯光缆组件
CWDM SFP PLCC光? USB光纤延伸线 思科SFP OC12 安华高Avago 1x9光? PM Coupler PRIZM? LIGHTTURN?组件
DWDM SFP RJ光? HDMI 思科SFP OC48 安华高Avago SFF光? PM CWDM 光纤机箱
BIDI-SFP SFF光? 特种电毗连器 思科GBIC光? 安华高Avago SFP光? PM DWDM SMA-特殊纤芯系列
SGMII SFP SNAP12光? 圆形毗连器 思科X2光? 安华高Avago QSFP28 光? PM Faraday mirror 特殊讨论系列
Video SFP光? USOT光? 矩形电毗连器 思科XENPAK光? 安华高Avago QSFP+光? PM Fiber mirror 铠装系列
Copper SFP X2光? 特种光纤光缆 华三光? 安华高Avago SNAP12光? PM Filter Coupler 光耦合器Coupler
低功耗SFP Xenpak光? 特种光纤 华三SFP 安华高Avago 其他光? PM Fused Coupler 皮纤跳线系列
SFP+光? 光电编码器? 光纤器件 华三SFP+ 安华高 Embedded光? PM FWDM 大芯数系列
CWDM SFP+ 光?椴馐园 特种光缆及光缆组件 华三SFP28 光? 安华高Fiber Optics光? PM Isolator 回路跳线系列
DWDM SFP+ 光?榱幼 光藕 华三QSFP+光? Industrial Transmitters and Receivers PM Isolator WDM 保偏光纤系列
BIDI SFP+ DAC 高速线缆 标准光耦 华三QSFP28 光? Optical Transceivers PM PLC 光通讯组件
Tunable SFP+ 光纤滑环|光电滑环 SMA测试线缆 华三 CFP光? 飞通光? PM Tap Isolator 光隔离器isolator
16GFC SFP+ 光缆车 OSA 华三 CXP光? Finisar光? PM Tap Isolator WDM 其它光器件
25GE SFP+ 军品级DIN光? PON BOSA 华三 CX4高速电缆 菲尼萨Finisar SFF光? PM VOA 可调滤波器
32GFC SFP+ 塑料光纤? Pigtailed PD 华三XFP yellobrik SDI光? 其它保偏器件 可调衰减器
SFP28光? 替换安华高工业电力光? RFoG BOSA 华三GE SFP 罗克韦尔AB光? 光分路器 拉锥耦合器
SFP56光? 兼容国产化替换安华高光耦 TO-CAN 华三FE SFP 罗杰康光? FBT拉锥分路器 无源光器件
SFP-DD光? 射频光? 光纤温度传感器 华三SFP STM-4 研华Advantech光? PLC 光分路器 法拉第旋转镜
QSFP光? 微型多路光? 光纤应变传感器 华三SFP STM-16 天下产化光器件 PLC平面波导光分路器 波分复用器
QSFP+ 光? 特种光? 光纤加速率传感器 华三GBIC光? FT-XS系列 国产化半导体光放大器 光开关 AWG DWDM波分复用器
QSFP28光? HPC并行光? 光线压力传感器 华三BIDI光? 光纤阵列系列 探测器 Fused WDM波分复用器
QSFP56光? LC-RJ超小型单路光? 光纤位移传感器 华三XENPAK光? 高速?槲⑴连 光功率计 FWDM波分复用器
QSFP112 400G光? LCC48光? 光纤应力传感器 华三EPON OLT SFP 相关通讯光毗连 全光纤相位拉伸器 Mini微型粗波分复用器
QSFP224光? LC超短型光? 光纤传感剖析仪 中航光电光? 硅光子器件光链接 光纤准直器 光分插复用器
QSFP-DD光? SNAP12光? 光纤漫衍式测温主机 中兴光? Bio-Medical Equipment 光衰减器系列 其它种类波分复用器产品系列
QSFP-DD800光? 微型光? 光纤布里渊信号解调仪 锐捷光? Components for Fiber Laser 光偏振控制器 麋集波分复用器
OSFP 400Gbps 微型可插拔BGA光? 漫衍式光纤声振信号解调仪 惠普光? Components for Fiber sensing 光源 粗波分复用器
OSFP 800G光? 表贴式单路光? Camera Link 神州数码光? Components for Optical Network 光环行器Circulator WDM?
OSFP 1.6T光? 特种光纤毗连器 光?橹 Juniper光? EDFA光纤放大器 光纤延迟线 滤波器
HSFP 1.6T~12.8T光? J599光纤插头插座 华为光? Extreme光? 光纤传感器 色散赔偿? 蝶形激光器
XFP光? ODC光纤毗连器系列 华为GE SFP Brocade光? High power Component 光纤放大器 光耦合器&分路器
CWDM XFP 其他特种光纤毗连器 华为QSFP+光? D-Link光? HP In-line Polarizer 无源传输转换器 光纤环形器&法拉第旋转镜
DWDM XFP 野战光纤毗连器 华为SFP+ 赫思曼光? HP Isolator 光纤激光器 光纤隔离器&波分复用器
BIDI XFP 特种光电毗连器 华为QSFP28 阿尔卡特朗讯光? HP PBC/S 光调制器 光纤分束器&合束器(PBS/PBC)
1x9光? J599III崎岖频混装毗连器 华为FE SFP Allied Telesis光? Pump Combiner 光电探测器 光纤光栅
CSFP光? NGC光纤毗连器 华为XFP Foundry光? HP Circulator 光纤偏振 高速线缆
CSFP+10G光? J599A6光纤毗连器 华为SFP OC12 Force10光? Pump laser protector 光纤滤波器
CXP光? GYMB光纤毗连器 华为GBIC光? Blade光? Hybrid for EDFA 同轴激光器
CFP光? J599III光电毗连器 华为SFP STM16 Linksys光? Test Equipment & Others 同轴电缆

028-85255257 | sales@f-tone.com

标准协议光?椴

兼容协议光?

其它种类光器件

手艺支持

【网站地图】【sitemap】