乐天堂

标准光  ?

HT6311光电耦合器

HT6311光电耦合器

0.0/5 rating (0 votes)

Description

产品形貌
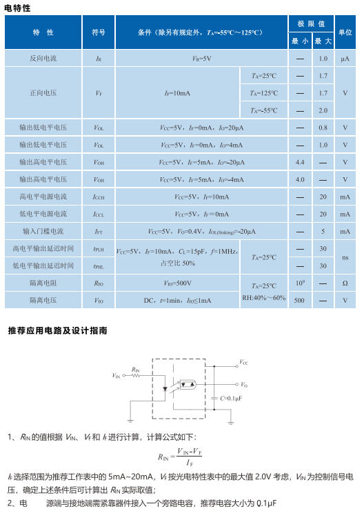
HT6311/HT6311T系列光电耦合器是接纳CLCC封装的单通道高速图腾柱同相输出型光耦,传输速率抵达50Mb/s。HT6311执行GJB 8119-2013《半导体光电子器件通用规范》,可供选择的质量品级为G1、G2、G3;HT6311T为工业级产品,可凭证手艺条件增添筛选项目。

8990

 

 

 

 

 

 

 

本产品为FT-Y3系列,仅展示部分参数,若有需要,请联系乐天堂。

乐天堂 | F-tone Networks
企业邮箱:sales@f-tone.com
企业网站:www.f-tone.com
企业网站:www.sfpgmk.com
企业电话:028-85255257

Important Notice

Performance figures, data and any illustrative material provided in this data sheet are typical and must be specifically confirmed in writing by F-tone Networks before they become applicable to any particular order or contract. In accordance with the F-tone Networks policy of continuous improvement specifications may change without notice.

The publication of information in this data sheet does not imply freedom from patent or other protective rights of F-tone Networks or others. Further details are available from any F-tone Networks sales representative.

天下产化光  ? CFP2光  ? JYSK光纤毗连器 思科光  ? Marconi光  ? Test Equipment & Others 光纤法兰适配器
SFP天下产光  ? CFP4光  ? J599III电毗连器 思科FE SFP 博达光  ? 保偏光器件 光纤跳线&尾纤
1x9天下产光  ? CFP8 400Gbps S6矩形毗连器 思科SFP+光  ? 网件光  ? In-line Depolarizer FTTA拉远基站光纤跳线
特种光  ? CDFP 400Gbps S7矩形毗连器 思科XFP光  ? Nortel光  ? In-line Polarizer MPO/MTP高密度系列
25G~400G高速光  ? MicroQSFP光  ? GYM光纤毗连器 思科CFP光  ? Moxa光  ? IPBC/S 军用野战防水光纤跳线
200km超长距光  ? DSFP光  ? J599III光纤毗连器 思科QSFP-DD 光  ?   ?低视HIKVISION光  ? PBC/S 特种光纤光缆
5G移动通讯光  ? FT-61光  ? 水密光缆毗连器 思科QSFP+光  ? McAfee光  ? PM BPF 特种线缆组件
SFP光  ? OLT光  ? 光纤毗连器转接器 思科GE SFP SMC智邦光  ? PM Circulator 通用光缆光纤跳线
1.25G SFP ONU光  ? FT-A4系列毗连器 思科SFP OC3 安华高Avago光  ? PM Collimator MXC? 多芯光缆组件
CWDM SFP PLCC光  ? USB光纤延伸线 思科SFP OC12 安华高Avago 1x9光  ? PM Coupler PRIZM? LIGHTTURN?组件
DWDM SFP RJ光  ? HDMI 思科SFP OC48 安华高Avago SFF光  ? PM CWDM 光纤机箱
BIDI-SFP SFF光  ? 特种电毗连器 思科GBIC光  ? 安华高Avago SFP光  ? PM DWDM SMA-特殊纤芯系列
SGMII SFP SNAP12光  ? 圆形毗连器 思科X2光  ? 安华高Avago QSFP28 光  ? PM Faraday mirror 特殊讨论系列
Video SFP光  ? USOT光  ? 矩形电毗连器 思科XENPAK光  ? 安华高Avago QSFP+光  ? PM Fiber mirror 铠装系列
Copper SFP X2光  ? 特种光纤光缆 华三光  ? 安华高Avago SNAP12光  ? PM Filter Coupler 光耦合器Coupler
低功耗SFP Xenpak光  ? 特种光纤 华三SFP 安华高Avago 其他光  ? PM Fused Coupler 皮纤跳线系列
SFP+光  ? 光电编码器  ? 光纤器件 华三SFP+ 安华高 Embedded光  ? PM FWDM 大芯数系列
CWDM SFP+ 光  ?椴馐园 特种光缆及光缆组件 华三SFP28 光  ? 安华高Fiber Optics光  ? PM Isolator 回路跳线系列
DWDM SFP+ 光  ?榱幼 光藕 华三QSFP+光  ? Industrial Transmitters and Receivers PM Isolator WDM 保偏光纤系列
BIDI SFP+ DAC 高速线缆 标准光耦 华三QSFP28 光  ? Optical Transceivers PM PLC 光通讯组件
Tunable SFP+ 光纤滑环|光电滑环 SMA测试线缆 华三 CFP光  ? 飞通光  ? PM Tap Isolator 光隔离器isolator
16GFC SFP+ 光缆车 OSA 华三 CXP光  ? Finisar光  ? PM Tap Isolator WDM 其它光器件
25GE SFP+ 军品级DIN光  ? PON BOSA 华三 CX4高速电缆 菲尼萨Finisar SFF光  ? PM VOA 可调滤波器
32GFC SFP+ 塑料光纤  ? Pigtailed PD 华三XFP yellobrik SDI光  ? 其它保偏器件 可调衰减器
SFP28光  ? 替换安华高工业电力光  ? RFoG BOSA 华三GE SFP 罗克韦尔AB光  ? 光分路器 拉锥耦合器
SFP56光  ? 兼容国产化替换安华高光耦 TO-CAN 华三FE SFP 罗杰康光  ? FBT拉锥分路器 无源光器件
SFP-DD光  ? 射频光  ? 光纤温度传感器 华三SFP STM-4 研华Advantech光  ? PLC 光分路器 法拉第旋转镜
QSFP光  ? 微型多路光  ? 光纤应变传感器 华三SFP STM-16 天下产化光器件 PLC平面波导光分路器 波分复用器
QSFP+ 光  ? 特种光  ? 光纤加速率传感器 华三GBIC光  ? FT-XS系列 国产化半导体光放大器 光开关 AWG DWDM波分复用器
QSFP28光  ? HPC并行光  ? 光线压力传感器 华三BIDI光  ? 光纤阵列系列 探测器 Fused WDM波分复用器
QSFP56光  ? LC-RJ超小型单路光  ? 光纤位移传感器 华三XENPAK光  ? 高速  ?槲⑴连 光功率计 FWDM波分复用器
QSFP112 400G光  ? LCC48光  ? 光纤应力传感器 华三EPON OLT SFP 相关通讯光毗连 全光纤相位拉伸器 Mini微型粗波分复用器
QSFP224光  ? LC超短型光  ? 光纤传感剖析仪 中航光电光  ? 硅光子器件光链接 光纤准直器 光分插复用器
QSFP-DD光  ? SNAP12光  ? 光纤漫衍式测温主机 中兴光  ? Bio-Medical Equipment 光衰减器系列 其它种类波分复用器产品系列
QSFP-DD800光  ? 微型光  ? 光纤布里渊信号解调仪 锐捷光  ? Components for Fiber Laser 光偏振控制器 麋集波分复用器
OSFP 400Gbps 微型可插拔BGA光  ? 漫衍式光纤声振信号解调仪 惠普光  ? Components for Fiber sensing 光源 粗波分复用器
OSFP 800G光  ? 表贴式单路光  ? Camera Link 神州数码光  ? Components for Optical Network 光环行器Circulator WDM  ?
OSFP 1.6T光  ? 特种光纤毗连器 光  ?橹 Juniper光  ? EDFA光纤放大器 光纤延迟线 滤波器
HSFP 1.6T~12.8T光  ? J599光纤插头插座 华为光  ? Extreme光  ? 光纤传感器 色散赔偿  ? 蝶形激光器
XFP光  ? ODC光纤毗连器系列 华为GE SFP Brocade光  ? High power Component 光纤放大器 光耦合器&分路器
CWDM XFP 其他特种光纤毗连器 华为QSFP+光  ? D-Link光  ? HP In-line Polarizer 无源传输转换器 光纤环形器&法拉第旋转镜
DWDM XFP 野战光纤毗连器 华为SFP+ 赫思曼光  ? HP Isolator 光纤激光器 光纤隔离器&波分复用器
BIDI XFP 特种光电毗连器 华为QSFP28 阿尔卡特朗讯光  ? HP PBC/S 光调制器 光纤分束器&合束器(PBS/PBC)
1x9光  ? J599III崎岖频混装毗连器 华为FE SFP Allied Telesis光  ? Pump Combiner 光电探测器 光纤光栅
CSFP光  ? NGC光纤毗连器 华为XFP Foundry光  ? HP Circulator 光纤偏振 高速线缆
CSFP+10G光  ? J599A6光纤毗连器 华为SFP OC12 Force10光  ? Pump laser protector 光纤滤波器
CXP光  ? GYMB光纤毗连器 华为GBIC光  ? Blade光  ? Hybrid for EDFA 同轴激光器
CFP光  ? J599III光电毗连器 华为SFP STM16 Linksys光  ? Test Equipment & Others 同轴电缆

028-85255257 | sales@f-tone.com

标准协议光  ?椴

兼容协议光  ?

其它种类光器件

手艺支持

【网站地图】【sitemap】